D2SW-P2L2H  Omron

Symbol Micros: PRZ D2SW-P2L2H
Symbol Kontrahenta:
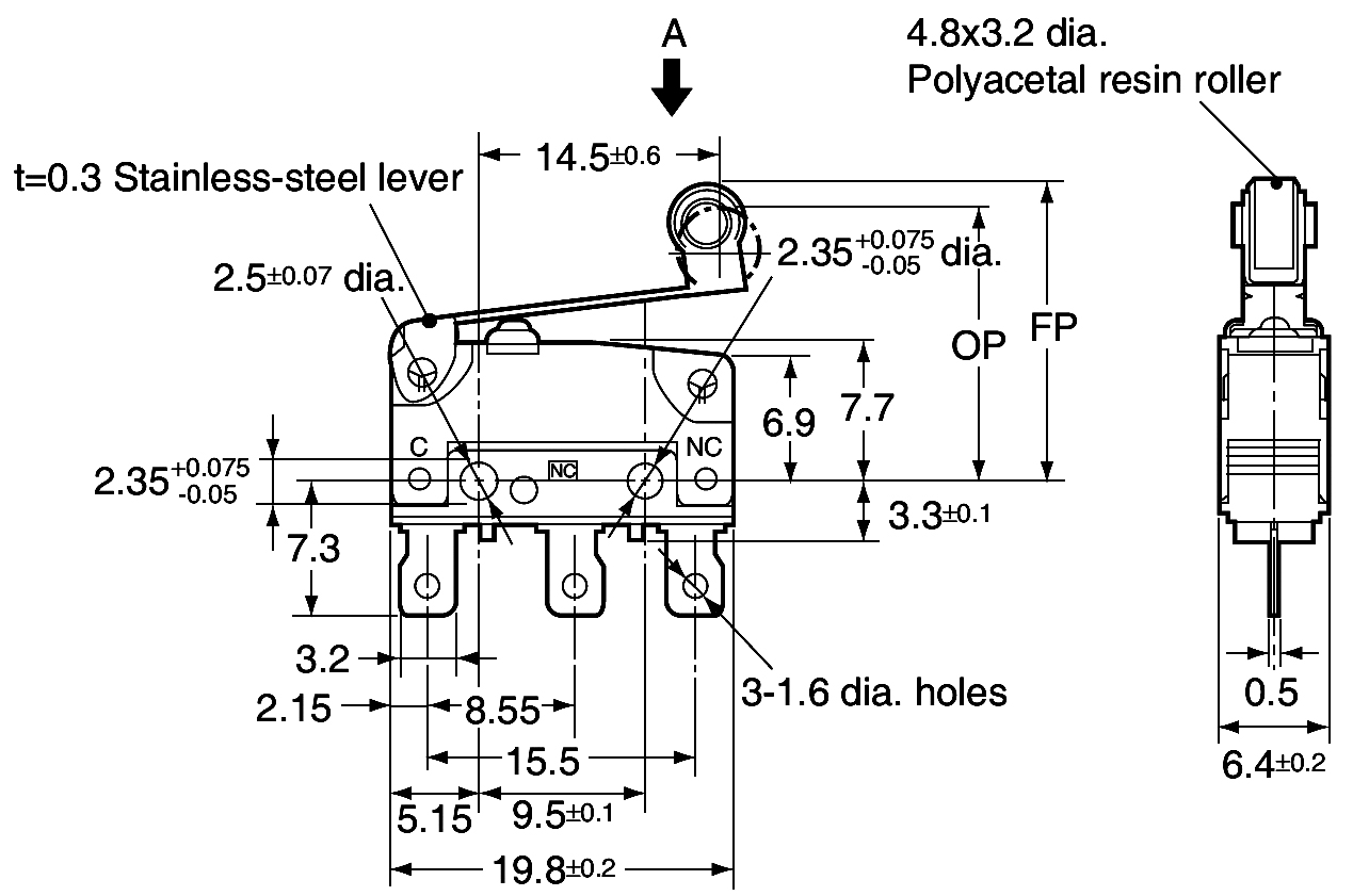
Obudowa: Rys.D2SW-P2L2H
Przeł. krańc., wypr.: do lutowania, wymiary: 19.8x6.4x11mm 2A 250VAC ON-(ON) SPDT 0.6N, żywotn.: 5000000 cykli, temp.: -40°C+85°C
Parametry
Obciążalność styków: 3A 125VAC
Sposób przełączenia: ON-(ON)
Konfiguracja styków: SPDT
         
 
Pozycja dostępna na zamówienie
Obciążalność styków: 3A 125VAC
Sposób przełączenia: ON-(ON)
Konfiguracja styków: SPDT